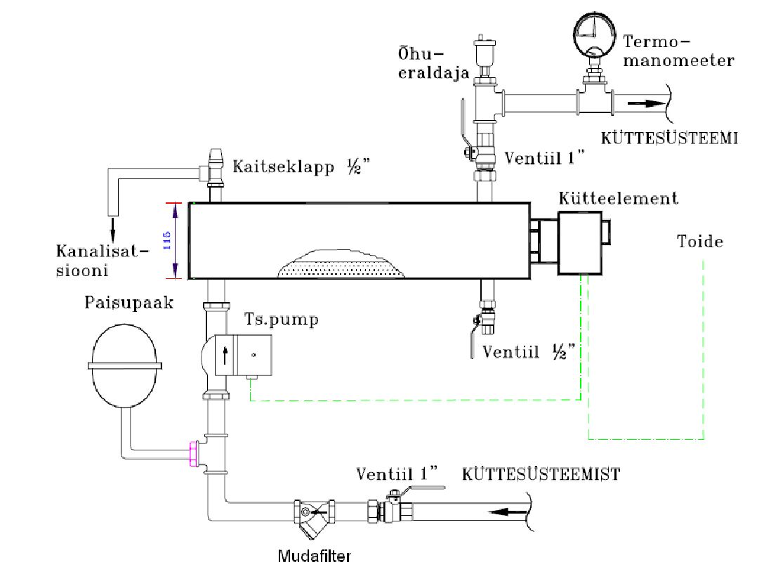
H elektrikatlad, torukatlad

Elektrikatel  2 - 4,5 kW
545,60 €
Elektrikatel 6 kW
570,40 €
Elektrikatel 7,5 kW
595,20 €