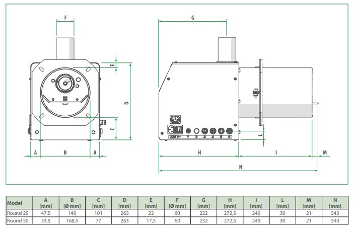
B-MAX Technology pelletipõletid (isepuhastuv)